Pökomat P30-450Drucken
Baugruppenübersicht
Fussgestell
Bedienungstableau...
Schaltkasten Mode...
Abzweigdose
Not - Stop - Scha...
Bedienungstableau...
Schaltkasten Mode...
Lakeführung
INOX-Pumpe
Druckregel-Ventil...
Gehäuse
Transportschlitte...
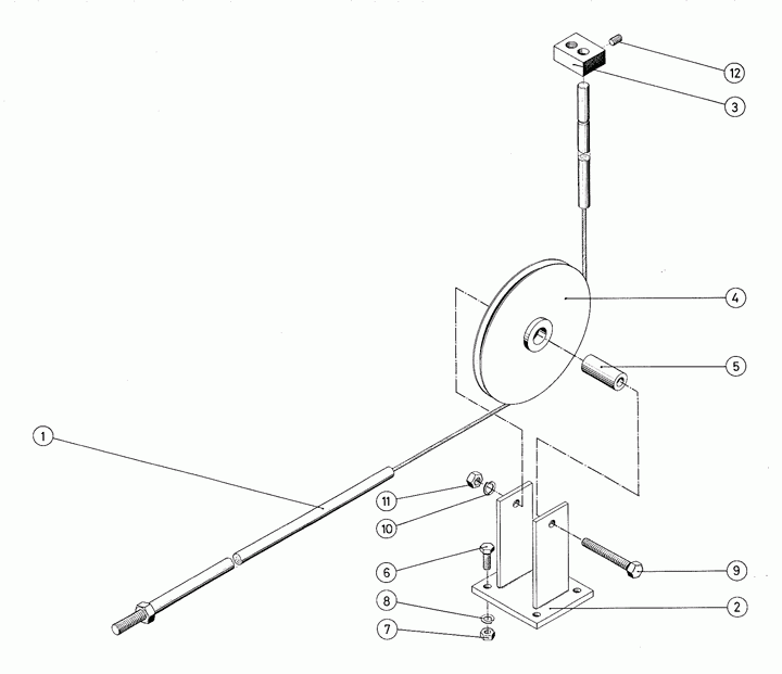
Zugseileinheit
Vorschubanzeige
Vorschubverstelle...
Vorschubeinheit
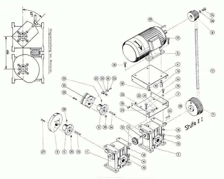
Antriebseinheit S...
Nadelführung
Schutzvorrichtung...
Explosionszeichnung: Transportschlitten
Ersatzteile - Stückliste: // Pökomat P30-450 // Transportschlitten
| Pos. | Menge | Benennung | Teilenummer | Bemerkung | Anzahl |
|---|
| 1 | 1 | Transportschlitten | 00807 | ||
| 2 | 1 | Förderplatte | 00808 | ||
| 3 | 1 | Transportband | 00954 | ||
| 4 | 1 | Schliessstab | 00955 | ||
| 5 | 1 | Antriebswelle | 00835 | ||
| 6 | 2 | Antriebswalze | 00815 | ||
| 7 | 2 | Gleitschiene | 00868 | ||
| 8 | 2 | Lagerflansch | 00953 | ||
| 9 | 1 | Spannbügel | 00834 | ||
| 10 | 1 | Laufachse | 00836 | ||
| 11 | 2 | Spannwalze | 00814 | ||
| 12 | 26 | Pop – Blindniet | 05349 | ||
| 13 | 8 | Senkschraube | 05204 | ||
| 14 | 18 | Mutter | 05234 | ||
| 15 | 2 | Sechskantschraube | 05033 | ||
| 16 | 2 | Mutter | 05235 | ||
| 17 | 18 | Senkschraube | 01216 |
0 Artikel