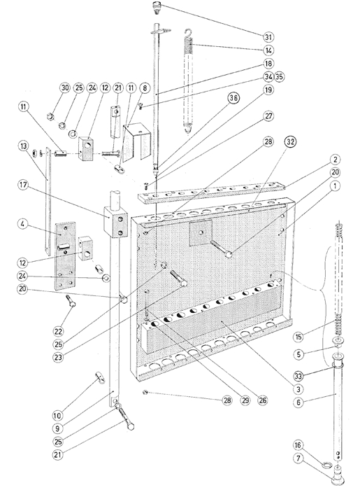
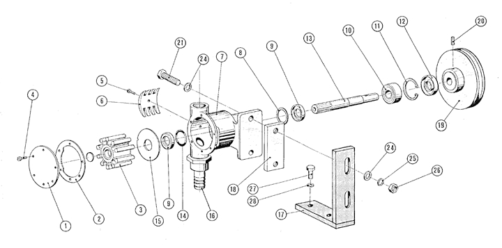
Pökomat P10/300Drucken
Explosionszeichnung: Lakeführung
Ersatzteile - Stückliste: // Pökomat P10/300 // Lakeführung
| Pos. |
Menge |
Benennung |
Teilenummer |
Bemerkung |
Anzahl |
| 1 |
1 |
Siebunterteil |
00581 |
|
|
| 2 |
1 |
Siebteil |
00583 |
|
|
| 3 |
1 |
Sieboberteil |
00582 |
|
|
| 4 |
1 |
Ansaugschlauch Ø 15 |
01598 |
|
|
| 5 |
1 |
Druckschlauch Ø 15 |
01599 |
|
|
| 6 |
1 |
Abzweigrohr |
01213 |
|
|
| 7 |
1 |
Verteilrohr |
01380 |
|
|
| 8 |
1 |
Druckschlauchtülle |
00992 |
|
|
| 9 |
1 |
Ventilschlauch Ø 15 |
01600 |
|
|
| 10 |
1 |
Rücklaufschlauch Ø 15 |
01601 |
|
|
| 11 |
2 |
Überwurfmutter |
01145 |
|
|
| 12 |
1 |
Manometer |
00618 |
|
|
| 13 |
1 |
Filterrohr |
01131 |
|
|
| 14 |
1 |
Filtereinsatz |
01132 |
|
|
| 15 |
1 |
Überwurfmutter |
01152 |
|
|
| 16 |
2 |
O-Ring |
05380 |
|
|
| 17 |
1 |
Schlauchanschluss |
00856 |
|
|
| 18 |
1 |
Schlauch Ø 10 |
01602 |
|
|
| 19 |
1 |
Manometerschlauch Ø 15 |
01587 |
|
|
| 20 |
1 |
Blindschlauch Ø 15 |
01603 |
|
|
| 21 |
1 |
Druckschlauchtülle |
00993 |
|
|
| 22 |
4 |
O-Ring |
05369 |
|
|
| 23 |
1 |
Blindstopfen |
00994 |
|
|
| 24 |
12 |
|
05346 |
|
|
| 25 |
5 |
Schlauchnippel |
05341 |
|
|
| 26 |
5 |
Schlauchnippel |
05342 |
|
|
| 27 |
10 |
Flexschlauch Ø 8 |
00653 |
|
|
| 28 |
1 |
Flügelmutter |
05601 |
|
|
| 29 |
2 |
Sechskantschraube |
05025 |
|
|
| 30 |
2 |
U-Scheibe |
05288 |
|
|