Pökomat P14/300Drucken
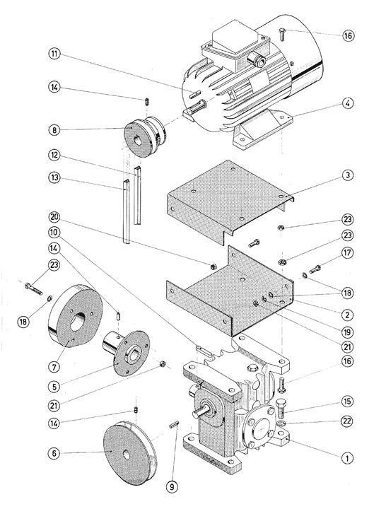
Explosionszeichnung: INOX-Pumpe
Ersatzteile - Stückliste: // Pökomat P14/300 // INOX-Pumpe
| Pos. |
Menge |
Benennung |
Teilenummer |
Bemerkung |
Anzahl |
| 1 |
1 |
Punpengehäuse |
00231 |
|
|
| 2 |
1 |
Rotor |
00169 |
|
|
| 3 |
1 |
Deckel |
00645 |
|
|
| 4 |
2 |
Dichtscheibe |
00643 |
|
|
| 5 |
1 |
Welle |
00167 |
|
|
| 6 |
6 |
Walze |
00170 |
|
|
| 7 |
12 |
Druckfeder |
00646 |
|
|
| 8 |
1 |
Passfeder |
05494 |
|
|
| 9 |
1 |
Lagergehäuse |
00227 |
|
|
| 10 |
1 |
Pumpenbefestigung |
00486 |
|
|
| 10a |
1 |
Pumpenbefestigung |
00800 |
|
|
| 11 |
1 |
Riemenscheibe |
00524 |
|
|
| 11a |
1 |
Keilriemenscheibe |
01150 |
|
|
| 12 |
2 |
Kugellager |
05527 |
|
|
| 13 |
1 |
O-Ring |
05367 |
|
|
| 14 |
2 |
Simmerring |
00174 |
|
|
| 15 |
1 |
O-Ring |
05368 |
|
|
| 16 |
1 |
Seegerring |
05476 |
|
|
| 17 |
1 |
Seegerring |
05462 |
|
|
| 18 |
1 |
Seegerring |
05478 |
|
|
| 19 |
12 |
Sechskantschraube |
05004 |
|
|
| 20 |
1 |
Gewindestift |
05223 |
|
|
| 21 |
12 |
Federring |
05294 |
|
|
| 23 |
4 |
Klemmplatte |
00229 |
|
|
| 24 |
2 |
Fixierstift |
00230 |
|
|