Hersteller Logos logo
de fr en
Aktionen | Prospekt download
Produkte Ersatzteilbestellung Gebrauchtmaschinen   Über uns
Pökomat Kutter Wolf
Pökomat Kolben-Vakuumfüller Kutter Wolf
Pökomat
Kontakt Impressum AGB Disclaimer Datenschutz
Auszeichnungen

Maschinen

  • Pökomat P1
  • Pökomat P1/6
  • Pökomat P8/270 (T-Füße)
  • Pökomat P8/270 (4-Füße)
  • Pökomat P9/270
  • Pökomat P10/280
  • Pökomat P10/300
  • Pökomat P12-270
  • Pökomat P13/270
  • Pökomat P14/280
  • Pökomat P14/300
  • Pökomat P15/300
  • Pökomat P16/320
  • Pökomat P18/320
  • Pökomat P20/310
  • Pökomat P25/320
  • Pökomat P30-450
  • Pökomat P40/500
  • Pökomat P78/750
  • Pökomat P132/500
  • Rotationsfilter

Login



Login Registrieren

Bestellanfrage

Artikel-Schnelleingabe
Menge Teilenummer

Warenkorb 0 Artikel

Warenkorb anzeigen »

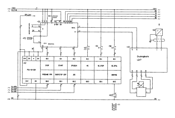
Stromschema P 40/500 SE 3/4
zurück
Impressum AGB Disclaimer Datenschutz